
油罐浮動出油裝置(FYZ) OIL TANK SWING SWPIES

油罐浮動出油裝置適用于各類臥式,立式儲罐使用,其一端連于油罐底部出油短管上,另一端同浮筒吊在液面下,并隨液面升降而浮動,始終抽取表面燃油,由于水分、雜質在重力場的沉降作用,上層燃油的水分和雜質始終低于底部油層。因此,使用油罐浮動出油裝置,抽取上層燃油,能保證發出較潔凈的燃油,延長下游凈化設備的使用壽命。
Oil Tank swing line series can be set in various horizontal or vertical fuel oil tanks. In the oil tank,one end of swing line is connected with oil outlet nozzle at the bottom tank shell course another end(the suction of swing line)is hung by float under liquid level. The suction of swing line is floating up and when liquid level is rising and falling,so tha the fuel oil supplied from the tank is always in upper layer. As the water and impurity have fallen as gravily,the fule oil in upper layer is cleaner than that in lower layer. So using the swing line can confirms the cleaner fule oil to be supplied and the downstream cleaning equipment to be operated longer.
油罐浮動出油裝置“性能特點”:
Characteristics
1、適于介質:航空煤油、汽油、柴油等。
The swing line used for aviation kerosene,Gasoline,disesl oil and so on
2、公稱直徑:
DN50-300Nominsl diameter:DN50mm-300mm
3、公稱壓力:PN1.6Mpa
Nominsl pressure:PN1.6Mpa
4、上舉擺覺:650
Max. Up rotating angle650
5、拆裝要求:結構組成部件,能從油罐入孔出入
The swing line can be separated into several Compartments which can be delivered into out of the oil tank through shell manhole
6、本設備具有防渦流措施和自滲出罐油功
The swing line has anti-vortex device and self-Penetration device,so that fule oil can be filled into and sent out ofthe tank through swing line
油罐浮動出油裝置“訂貨參數”:
Technical parameters ordered by user
1、油罐類型(立式或臥式) Tank type(horizontal or vertical)
2、出油管口徑(外徑壁厚) Diameter of oil outlet nozzle(outside diameter&Wall thickness)
3、出口管法蘭的公稱壓力及標準 Nominal pressure of the flange of oil outlet nozzle and standards
4、油罐內徑 Tank inside diameter
5、油罐裝油高度 Liquid level in oil tank
6、油罐罐底坡度 Slope of tank bottom
7、出口管中心距罐底部高度 Elevation of oil outlet nozzle
油罐浮動出油裝置“產品用途” product use
1. 安裝在儲油罐內,和罐壁出油管連接達到防止罐底污水及化學、機械雜質與油料混合出罐,保證油罐向外供油的純凈度;
is installed in the oil storage tank, and tank wall outlet connected to prevent the tank bottom water and chemical, mechanical impurities and oil mixing tank, to ensure the purity of outward oil tank;
2. 做高位液下進油管使用;
Do high liquid inlet pipe use.
3. 適用于國內外油品儲運、油田、石油化工、電力、冶金、航空及輕工、食品等行業各類儲罐。
Applies to all domestic and foreign oil storage and transportation, oil, petrochemical, electric power, metallurgy, aviation, light industry, food and other industries of various types of tanks.
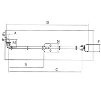
油罐浮動出油裝置“結構及原理” Structure and principle
1. 設備由回轉機構、回轉臂(輸油管)、浮子、儀表等四個部分組成;
The equipment consists of a rotating mechanism, the rotary arm (pipeline), the four part of the float, instrument etc.
2. 回轉機構通過法蘭與罐壁接管連接;
The rotary mechanism is connected through the flange and pipe wall.
3. 回轉臂(輸油管)一端鏈接回轉機構,另一端鏈接浮子;
Rotary arm (pipeline) rotary end link, the other end of the link.
4. 油罐進油或出油時,液位上升或下降,浮子也跟著上升和下降,浮子一端因為鏈接回轉臂(輸油管)而帶動回轉臂(輸油管)跟著做上下回轉運動;
The tank into the oil or the oil, liquid level rise or fall, the float followed up and down, float end because link rotary arm (pipeline) to drive the rotary arm (pipeline) follow up and down motion.
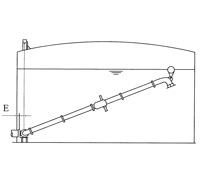
5. 本裝置可在浮頂罐內安裝使用,上端與浮頂連接,由浮頂帶動實現浮動出油。
The device can be installed and used in floating roof tank, and the upper end of the floating roof connected by floating roof to achieve floating oil
油罐浮動出油裝置“主要技術指標” The main technical indicators
產品型號:FD-AB/S
符號含義:FD 產品代號,A為公稱直徑,B為罐容積,S 帶儀表。
Symbolic meaning: FD product code, A nominal diameter, B tank, S instrument.
產品公稱直徑:DN25-700 設計溫度:液體流動溫度——210℃
Product nominal diameter: DN25-700 design temperature: the temperature of 210 ℃ liquid flow
設計壓力:0.6MPa
Design pressure: 0.6MPa
浮動出油高度:0.1-32m
Floating oil height: 0.1-32m
法蘭標準 (可由用戶指定)
Corrosion resistance: resistance to chloride ion CL-, H2S corrosion and acid.
Flange standard (to be specified by the user)
防腐蝕性能:抗氯離子CL-、H2S腐蝕及酸堿
磁性浮子液位計和分析工業熱電偶安裝注意事項的特點
2016-08-02風機消音器達到良好的消音效果
2017-03-23快速接頭全面了解
2016-06-09蒸汽消聲器,以避免蒸氣和液體的振動和噪音
2016-08-02日常維護檢查磁性浮子液位計非常重要
2016-08-02排氣消聲器創造理想的環境,安裝說明要知道
2017-03-23閑聊消聲器微穿孔消聲器
2016-05-31如何判斷好壞消聲裝置
2016-05-31浮動出油裝置意味著好油的質量檢查
2016-06-29